Контроллер Modbus TCP, RJ-45 (x2), SD Card,G4 артикул 750-890
арт. 750-890
Контроллер Modbus TCP можно использовать в качестве программируемого контроллера в сетях ETHERNET в сочетании с системой ввода-вывода WAGO.
Контроллер поддерживает все цифровые, аналоговые и специальные модули серии 750/753 и подходит для скоростей передачи данных 10/100 Мбит/с.
Два интерфейса ETHERNET и встроенный коммутатор позволяют подключать полевую шину в линейной топологии, устраняя необходимость в дополнительных сетевых устройствах, таких как коммутаторы или концентраторы. Оба интерфейса поддерживают автосогласование и Auto-MDI(X).
Этот контроллер поддерживает Modbus TCP для использования в промышленных условиях. Он также поддерживает множество стандартных протоколов ETHERNET для легкой интеграции в ИТ-среду (например, HTTP(S), BootP, DHCP, DNS, SNTP, SNMP, (S)FTP).
Встроенный веб-сервер предоставляет параметры конфигурации пользователя, отображая при этом информацию о состоянии контроллера.
Программируемый контроллер IEC 61131-3 поддерживает многозадачность и оснащен RTC с резервным питанием.
Доступна память данных объемом 8 МБ.
Контроллер оснащен съемным слотом для карт памяти. Карту памяти можно использовать для передачи параметров устройства или файлов (например, загрузочных файлов) с одного контроллера на другой. К карте памяти можно получить доступ через FTP и использовать в качестве дополнительного диска.
| Коммуникация | Modbus (TCP, UDP) |
| Ethernet-протоколы | HTTP(S) BootP DHCP DNS SNTP FTP(S) SNMP |
| Визуализация | Веб-визу |
| Процессор | 32 бита |
| Языки программирования согласно IEC 61131-3 | Список инструкций (IL) Лестничная диаграмма (LD) Диаграмма функциональных блоков (FBD) Схема непрерывных функций (CFC) Структурированный текст (ST) Схема последовательных функций (SFC) |
| Среда программирования | WAGO-I/O- PRO V2.3 (на основе CODESYS V2.3) |
| Варианты конфигурации | WAGO-I/O- CHECK Библиотека CODESYS для управления через веб-интерфейс |
| Скорость передачи данных (связь/полевая шина 1) | 10/100 Мбит/с |
| Скорость передачи данных | 10/100 Мбит/с |
| Среда передачи (связь/полевая шина) | витая пара S-UTP; 100 Ом; Кот. 5; максимальная длина кабеля 100 м |
| Производительность передачи | Класс D по EN 50173 |
| Память программ | 8 МБ |
| Память данных | 8 МБ |
| Энергонезависимая память программного обеспечения | 32 Кбайт |
| Тип карты памяти | SD и SDHC до 32 ГБ (все гарантированные свойства действительны только с картой памяти WAGO) |
| Слот для карты памяти | Механизм «нажми-нажми»; Крышка (пломбируемая) |
| Количество модулей на узел (макс.) | 250 |
| Количество модулей без расширения шины (макс.) | 64 |
| Входной и выходной образ процесса (полевая шина) макс. | 1020 слов/1020 слов |
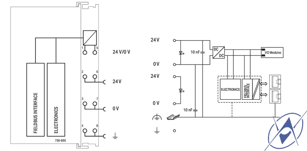
| Индикаторы | Светодиод (LINK/ACT) зеленый: подключение к сети через порты 1 … 2; Светодиод (MS, NS) красный/зеленый: состояние узла, сети; Светодиод (ввод/вывод, USR) красный/зеленый/оранжевый: состояние локальной шины данных, состояние программируется пользователем; Светодиод (A, B) зеленый: состояние питания системы, местное питание |
| Напряжение питания (система) | 24 В постоянного тока (-25 … +30 %); через съемный разъем (соединение CAGE CLAMP® ) |
| Входной ток (тип.) при номинальной нагрузке (24 В) | 500 мА |
| Эффективность источника питания (тип.) при номинальной нагрузке (24 В) | 90 % |
| Потребляемый ток (питание системы 5 В) | 440 мА |
| Суммарный ток (питание системы) | 1700 мА |
| Напряжение питания (поле) | 24 В постоянного тока (-25 … +30 %); через контакты силовой перемычки |
| Допустимая токовая нагрузка (контакты силовой перемычки) | 10 А |
| Количество отходящих контактов силовой перемычки | 3 |
| Изоляция | 500 В система/поле |
| Технология подключения: связь/полевая шина | Modbus (TCP, UDP): 2 x RJ-45 |
| Технология подключения: питание системы | 2 зажима CAGE CLAMP® |
| Технология подключения: местная поставка | 6 зажимов CAGE CLAMP® |
| Тип соединения 1 | Системное/местное питание |
| Твердый проводник | 0,08 … 2,5 мм² / 28 … 14 AWG |
| Многожильный проводник | 0,08 … 2,5 мм² / 28 … 14 AWG |
| Длина полосы | 8…9 мм / 0,31…0,35 дюйма |
| Технология подключения: конфигурация устройства | 1 штекерный разъем; 4-полюсный |
| Температура окружающей среды (эксплуатация) | 0 … +55 °С |
| Температура окружающей среды (хранение) | -25…+85 °С |
| Тип защиты | IP20 |
| Степень загрязнения | 2 по МЭК 61131-2 |
| Рабочая высота | без температурного снижения: 0 … 2000 м; с температурным снижением: 2000 … 5000 м (0,5 К/100 м); 5000 м (макс.) |
| Относительная влажность (без конденсата) | 95 % |
| Монтажное положение | любой |
| Тип крепления | DIN-рейка 35 |
| Виброустойчивость | 4 г согласно IEC 60068-2-6 |



