Автоматизация / Модульная система ввода-вывода I/O-SYSTEM / Модули аналогового ввода
Документация
Артикул
750469
Бренд
WAGO
Описание
арт. 750-469
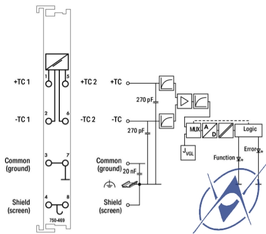
Модуль аналогового ввода напрямую подключается к двум термопарам. Внутренняя электрическая изоляция позволяет работать с заземленными датчиками.
Модуль автоматически линеаризует весь температурный диапазон.
Компенсация холодного спая снижает напряжение смещения блока фиксации в рабочем диапазоне 0–55°C.
Обрыв линии сигнализируется красным светодиодом. Зеленый светодиод указывает на готовность к работе и безошибочную связь с устройством сопряжения.
Экран напрямую соединяется с DIN-рейкой.
Технические данные
| Количество аналоговых входов | 2 |
| Общее количество каналов (модуль) | 2 |
| Тип сигнала | Термопара |
| Подключение датчика | 2 х (2-проводной) |
| Ширина данных | 2 x 16-битные данные; 2 x 8-битный контроль/статус (опционально) |
| Внутреннее сопротивление | 1000 кОм |
| Разрешение (по всему диапазону) | 0,1 °С |
| Время преобразования (тип.) | 320 мс |
| Погрешность измерения (25 °C) | < ±6 K (входное напряжение < ±2 K; компенсация холодного спая < ±4 K) |
| Температурный коэффициент | < ±0,2 К/К |
| Типы датчиков | Термопара К |
| Диапазон температур | −100…+1370 °С |
| Компенсация холодного спая | на каждой паре клеммных колодок |
| Напряжение питания (система) | 5 В постоянного тока; через контакты данных |
| Потребляемый ток (питание системы 5 В) | 65 мА |
| Изоляция | 500 В система/поле |
| Индикаторы | Светодиод (A, C) зеленый: функция AI 1, AI 2; Светодиод (B, D) красный: Ошибка AI 1, AI 2 |
Требования к окружающей среде
| Температура окружающей среды (эксплуатация) | 0 … +55 °С |
| Температура окружающей среды (хранение) | -25…+85 °С |
| Тип защиты | IP20 |
| Степень загрязнения | 2 по МЭК 61131-2 |
| Рабочая высота | 0 … 2000 м / 0 … 6562 фута |
| Монтажное положение | горизонтальный (стоя/лежа); вертикальный |
| Относительная влажность (без конденсата) | 95 % |
| Виброустойчивость | 4 г согласно IEC 60068-2-6 |
| Ударопрочность | 15 г согласно IEC 60068-2-27 |



