Автоматизация / Модульная система ввода-вывода I/O-SYSTEM / Модули ввода дискретных сигналов
Документация
Артикул
750430025000
Бренд
WAGO
Описание
арт. 750-430/025-000
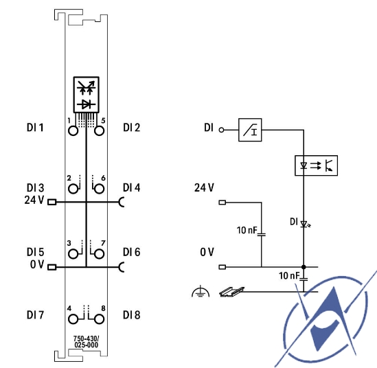
Модуль цифрового ввода имеет восемь каналов при ширине всего 12 мм (0,47 дюйма). Он получает управляющие сигналы от цифровых полевых устройств (например, датчиков).
Каждый входной модуль имеет шумоподавляющий фильтр.
Полевой и системный уровни электрически изолированы.
Технические данные
| Количество цифровых входов | 8 |
| Общее количество каналов (модуль) | 8 |
| Тип сигнала | Цифровое напряжение |
| Тип сигнала (напряжение) | 24 В постоянного тока |
| Подключение датчика | 8 х (1-проводной) |
| Входная характеристика | переключение высокого уровня |
| Входной фильтр (цифровой) | 3 мс 3 мс |
| Входной ток на канал для сигнала (1) тип. | 2,8 мА |
| Диапазон напряжения для сигнала (0) | −3 … +5 В постоянного тока |
| Диапазон напряжения для сигнала (1) | 15 … 30 В постоянного тока |
| Ширина входных данных (внутренняя) макс. | 8 бит |
| Напряжение питания (система) | 5 В постоянного тока; через контакты данных |
| Потребляемый ток (питание системы 5 В) | 17 мА |
| Напряжение питания (поле) | 24 В постоянного тока (-25 … +30 %); через силовые перемычки (питание через ножевой контакт; передача через пружинный контакт) |
| Изоляция | 500 В система/поле |
| Индикаторы | Зеленый светодиод (AD): состояние ЦВХ 1, ЦВХ 3, ЦВХ 5, ЦВХ 7; Зеленый светодиод (EH): состояние ЦВХ 2, ЦВХ 4, ЦВХ 6, ЦВХ 8 |
| Количество входящих контактов силовой перемычки | 2 |
| Количество отходящих контактов силовой перемычки | 2 |
| Допустимая токовая нагрузка (контакты силовой перемычки) | 10 А |
Требования к окружающей среде
| Температура окружающей среды (эксплуатация) | -20…+60 °С |
| Температура окружающей среды (хранение) | -40…+85 °С |
| Тип защиты | IP20 |
| Степень загрязнения | 2 по МЭК 61131-2 |
| Рабочая высота | 0 … 2000 м / 0 … 6562 фута |
| Монтажное положение | горизонтальный (стоя/лежа); вертикальный |
| Относительная влажность (без конденсата) | 95 % |
| Относительная влажность (с конденсацией) | Кратковременная конденсация в соответствии с классом 3K6/IEC EN 60721-3-3 и E-DIN 40046-721-3 с учетом диапазона температур от −20 до +60 °C (за исключением осадков, переносимых ветром, образования воды и льда). ) |
| Виброустойчивость | 4 г согласно IEC 60068-2-6 |



