Wago / Автоматизация / Модульная система ввода-вывода I/O-SYSTEM / Модули питания
Документация
Артикул
750602
Описание
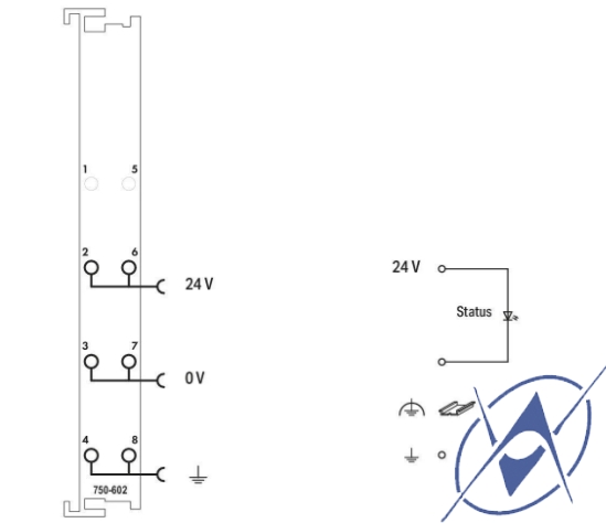
арт. 750-602
Модуль питания обеспечивает модули ввода/вывода соответствующим потенциалом питания.
Максимальный ток, обеспечиваемый модулем питания, составляет 10 А. При настройке системы нельзя превышать общий ток.
Технические данные
| Тип сигнала | Напряжение |
| Тип сигнала (напряжение) | 24 В постоянного тока |
| Напряжение питания (система) | 5 В постоянного тока; через контакты данных |
| Напряжение питания (поле) | 24 В постоянного тока (-25 … +30 %); через контакты силовой перемычки (питание через соединение CAGE CLAMP® ; передача через пружинный контакт) |
| Индикаторы | Светодиод (C) зеленый: Подача напряжения питания: Контакты перемычки питания |
| Количество отходящих контактов силовой перемычки | 3 |
| Допустимая токовая нагрузка (контакты силовой перемычки) | 10 А |
Требования к окружающей среде
| Температура окружающей среды (эксплуатация) | 0 … +55 °С |
| Температура окружающей среды (хранение) | -25…+85 °С |
| Тип защиты | IP20 |
| Степень загрязнения | 2 по МЭК 61131-2 |
| Рабочая высота | 0 … 2000 м / 0 … 6562 фута |
| Монтажное положение | горизонтальный (стоя/лежа); вертикальный |
| Относительная влажность (без конденсата) | 95 % |
| Виброустойчивость | 4 г согласно IEC 60068-2-6 |
| Ударопрочность | 15 г согласно IEC 60068-2-27 |
Если необходимы более высокие токи, к сборке необходимо добавить промежуточный модуль питания.


